PVC Polvalit UVS Bocht 90° 19MM Zwart

  • Artikelnummer: 1196901552
  • EAN: 8718892072273

Artikelnummer 1196901552
EAN 8718892072273
Materiaal Kunststof
Materiaalkwaliteit Polyvinylchloride (PVC)
UV bestendig
Drukvastheidsklasse volgens EN 61386-1 Medium (klasse 3 / 2 Joule)
Slagvastheid volgens EN 61386-1 Zwaar (klasse 4 / 6 Joule)
Halogeenvrij
Voor nominaal buisdiameter (in mm) 19 mm
Diameter (in mm) 19 mm
Kleur Zwart
Radius (in mm) 82,16 mm
Bochthoek (°) 90 °
KEMA certificaat

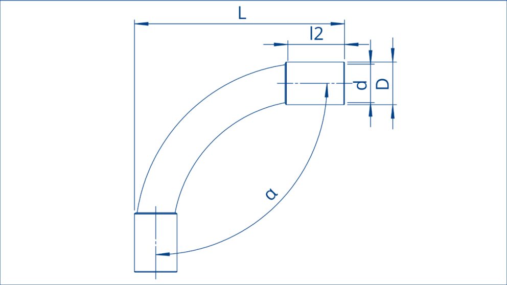
D 21,5 mm
d 19 mm
L 110 mm
L2 30 mm
α 90 °

Kom in contact met ons team

Kies a.u.b. de manier waarop je graag met ons in contact wilt komen. Wij nemen dan zo spoedig mogelijk contact met je op.

Terugbellen

Terugbelservice
We nemen telefonisch contact met je op
E-Mail service
We nemen contact met je op via e-mail